본문 바로가기

주메뉴 바로가기

지안에듀 로고 빅모의고사 로고

문제은행 공통과목

이동할 직렬을 선택해주세요.

닫기
로그인 지안에듀 바로가기
문제은행

지안에듀의 문제은행을 실전처럼 활용해보세요.

2026 국가직 9급 응용역학개론 시험 목록 바로가기

  1. 문제은행

20문제가 검색되었습니다.

  • 1

     

    해설
  • 2

    선형 탄성거동을 하는 임의의 스프링을 2mm 늘이는 데 4N의 힘이 필요하였다면, 추가로 1mm를 더 늘이는 데 필요한 일의 양[Nㆍm]은?

     

    해설
  • 3

     

    해설
  • 4

     

    해설
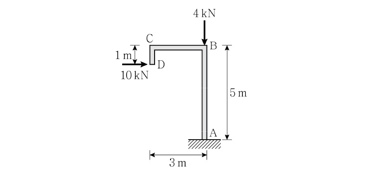
  • 5

    그림과 같은 구조물에서 지점 A의 모멘트 반력[kNㆍm]은? (단, 부재의 자중은 무시한다)

     

    해설
  • 6

    그림과 같은 내민보에서 지점 B의 상향 수직반력이 4P가 될 때, 거리 x는? (단, 보의 자중은 무시한다)

     

    해설
  • 7

     

    해설
  • 8

    재료의 일반적 성질에 대한 설명으로 옳지 않은 것은?

     

    해설
  • 9

    그림과 같이 등분포하중이 작용하는 캔틸레버보에서 C점의 처짐은? (단, 보의 휨강성 EI는 일정하고, 자중은 무시한다)

     

    해설
  • 10

     

    해설
  •  
  • 1
  • 2
  •