본문 바로가기

주메뉴 바로가기

지안에듀 로고 빅모의고사 로고

문제은행 공통과목

이동할 직렬을 선택해주세요.

닫기
로그인 지안에듀 바로가기
문제은행

지안에듀의 문제은행을 실전처럼 활용해보세요.

2025 국가직 9급 응용역학개론 시험 목록 바로가기

  1. 문제은행

20문제가 검색되었습니다.

  • 1

    마찰력에 대한 일반적인 설명으로 옳지 않은 것은?

     

    해설
  • 2

     

    해설
  • 3

     

    해설
  • 4

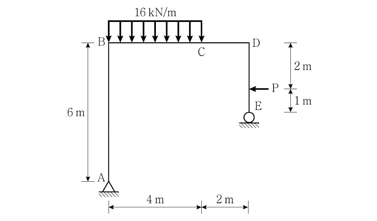
    그림과 같이 하중을 받는 라멘구조에서 C점의 휨모멘트가 0이 되기 위한 집중하중 P[kN]는? (단, 휨강성 EI는 일정하고, 자중은 무시한다)

     

    해설
  • 5

    그림과 같이 길이가 1m, 지름이 50mm인 강봉에 인장력 P가 단면의 도심에 작용하여 강봉의 길이는 1,005mm, 지름은 49.9mm가 되었다. 강봉의 푸아송비는?

     

    해설
  • 6

     

    해설
  • 7

    그림과 같은 부정정 구조물에서 정성적인 축력도로 옳은 것은? (단, 휨강성 EI와 축강성 EA는 일정하고, 자중은 무시한다)

     

    해설
  • 8

     

    해설
  • 9

     

    해설
  • 10

     

    해설
  •  
  • 1
  • 2
  •